Checkout using your account
Checkout as a new customer
Creating an account has many benefits:
3KSplus je reverzibilní klíčový systém, který se vyznačuje jedinečným funkčním principem. Na rozdíl od klasických uzamykacích systémů se uzamykací prvky v cylindrické vložce 3KSplus pohybují bez odporu pružiny. To znamená maximální bezpečnost a vysokou odolnost proti opotřebení.
Díky obrovským variačním možnostem lze vypočítat složité uzamykací systémy.
Organizační, právní a nejvyšší technická ochrana klíčů zaručuje špičkovou bezpečnost proti neautorizovanému kopírování klíčů. Patentované vodicí křivky zajišťují ještě vyšší bezpečnost a snadnější vložení klíče.
Tento systém je nyní k dispozici pouze pro dodatečné objednávky.
Pro nové aplikace doporučujeme novou řadu s označením EVVA 4KS.


Technická data


Provedení
Oblast použití
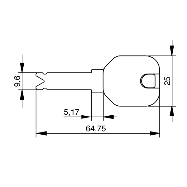
Klíč




Popis dalších možností
Designový klíč






Klíč s barevným puntíkem




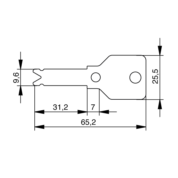
Klíč s prodlouženým krkem




Volitelné možnosti
Popis dalších možností
Zpracování








BSZ - oboustranně uzamykatelná vložka, havarijní funkce
Tato funkce umožňuje uzamknout cylindrickou vložku i v případě, že je na opačné straně vložen klíč s oprávněním k uzamčení. Tato možnost je dostupná od délky cylindrické vložky 31/36 mm.


SEW - odolnost vůči mořské vodě


SSW - ochrana proti prachu a povětrnostním vlivům
Do cylindrické vložky integrovaná pružinová krytka se automaticky otevírá nebo zavírá při vložení nebo vyjmutí klíče. Tato ochrana se zhotovuje jednostranně na vnější straně cylindrické vložky.
Cylindr se tím prodlouží o 3,3 mm.
Upozornění:
při objednání této možnosti může dojít k prodloužení dodací lhůty.




Volnoběh 360° (na dotaz)
EVVA Sicherheitstechnik GmbH
Höffgeshofweg 30
47807 Krefeld
www.evva.com